R/D Converter Smartcoder AU6805汎用タイプ

R/D Converters (Smartcoder)

AU6805 General-purpose type Smartcoder is a R/D (Resolver to Digital) conversion IC, which converts resolver signals into digital absolute position angle signals.
It is usable in a wide range of applications, including vehicle/robot/machine tool related applications, in combination with brushless resolvers such as our Smartsyn and Singlsyn.

User's Manual

Features

Adopts R/D conversion based on a proven digital tracking system
Low cost, small size and light weight
Satisfying fail check functions
(1)Abnormality detection Capable of detecting abnormal resolver signals, breaking of resolver signals, abnormal R/D conversion and abnormally high temperature of a IC (2)Built in self test Conducts a self test on R/D conversion and abnormality detection
Realization of system/cost reduction based on all-in-one concepts
(1)Integrated with an excttation amplifier (Output current: 10mA rms/20 mA rms)
(2)Integrated with an operation clock
Enhancement of functions corresponding to various applications
(1)Requires no phase adjustment to excitation signals (Allowable range: Within土45 ゜) (2)Variable setting of controlling bandwidth (fBW) (Selectable from 7 types of fixed values or automatic adjustment) (3)Capable of digital conversion of linear hall IC signals and R/D parallel connections to resolvers (4)Output redundancy (Triple redundancy-Parallel/Pulse/Serial output)

Specifications

Model AU6805
Resolution 4,096(=212
Tracking rate 240,000 min-1(When fBW is fixed.)
Conversion accuracy ±4 LSB
Max. angular acceleration 3,000,000 rad/s2(When fBW is automatic adjustment.)
Settling time 1.5 ms(typ)(When input step is 180°,and fBW is automatic adjustment.)
Output response ±0.2 °/10,000 min-1
Output form 12 bit binary code Positive logic parallel+ A,B,Z + Serial 1/F
Power requirement +5 V±10 % (45 mA: When the excitation amplifier is set at 10 mArms.)
Excitation power supply Integrated with a constant current control method excitation amplifier (10 mArms / 20 mA rms)
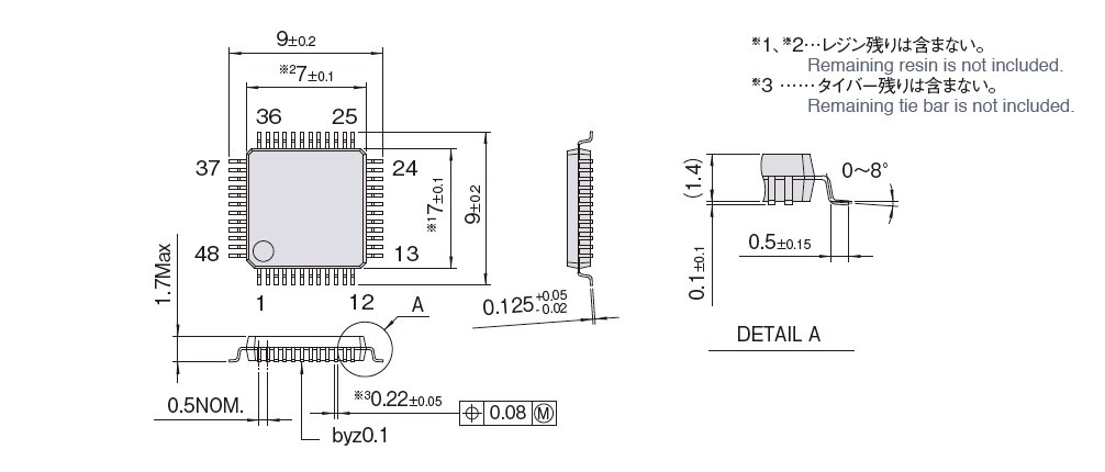
Outline 48 pin LQFP(7×7)、Pin to pin: 0.5 mm
Operating temperature -40 to +125 ℃

Outline

Dimension:mm

Outline

Functional Block Diagram

Functional Block Diagram

Pin Description

Scroll to view more.

No. Symbol Class Remarks No. Symbol Class Remarks No. Symbol Class Remarks
1 EXMDB D/I Ext. excit. sig. source mode 17 CLKIN D/I Clock input 33 D3 D/O
(BUS)
Phase U/φ9
2 DCMDB D/I DC resolver mode 18 SSDT D/I Serial setting data 34 D2 D/O(I) Phase Z/φ10
3 RLV D/I Excitation current select 19 SSCS D/I Serial setting CS 35 D1 D/O
(BUS)
Phase B/φ11
4 VCC - Analog power supply 20 DATA D/O
(BUS)
Serial data 36 D0 D/O
(BUS)
Phase A/φ12
5 SINMNTB A/O SIN monitor 21 SCSB D/I Serial CSB 37 VDD Digital PS
6 COSMNT A/O COS monitor 22 PRTY D/O
(BUS)
Parity 38 INHB(RD) D/I Inhibit
7 A GND - Analog GND 23 SCK D/I Serial clock 39 ERRHLD D/O(I) Error (Hold)
8 S3 A/I S3 input 24 DGND - Digital GND 40 ERRSTB D/I Error reset
9 S1 A/I S1 input 25 D11 D/O
(BUS)
ERRCD3/φ1 41 ERR D/O(I) Error outputr
10 S2 A/I S2 input 26 D10 D/O
(BUS)
ERRCD2/φ2 42 A D/O Phase A pulse output
11 S4 A/I S4 input 27 D9 D/O
(BUS)
ERRCD1/φ3 43 B D/O Phase B pulse output
12 R GND - GND:Excitation amp. GND 28 D8 D/O
(BUS)
ERRHLD/φ4 44 Z D/O(I) Phase Z pulse output
13 R2 A/O(I) Excitation output R2 29 D7 D/O
(BUS)
ERR/φ5 45 CSB D/I Chip select
14 VRR - BUS output select 1 30 D6 D/O
(BUS)
-/φ6 46 PUPD D/I Paral. abs. upd. sw.
15 R1 A/O(I) Excitation output R1 31 D5 D/O
(BUS)
Phase W/φ7 47 TEST1 D/I (Test mode setting)
16 BISTVLD D/I BIST execution control 32 D4 D/O
(BUS)
Phase V/φ8 48 TEST2 D/I (Test mode setting)

Note :
1.“No.” corresponds to the pin number of terminal.
2.“Class” means the following:

3. No.47 TEST1 signal and No. 48 TEST2 signal are signals that do not directly participate in operations, and normally, TEST1 is bypassed with the digital power supply (VDD) and TEST2 with digital GND (DGND). When they are not connected to anything, they are internally pulled up or pulled down respectively.

Smartcoder AUA6805 Evaluation Board | AUA212

・RoHS
・Power supply : DC+5 V ±10 %

Note :
Operation is not guaranteed as this product is for the evaluation test.For details, please contact the Sensortronics Laboratory.

Smartcoder AUA6805 Evaluation Board | AUA212

Outline

Outline

External Connection

External Connection